ヘビーデューティーシリンダー

ガスシリンダー
_0003_(Heavy Duty-1) 1-180
_0002_(Heavy Duty-2) 1-181

ヘビーデューティーシリンダー

仕様:
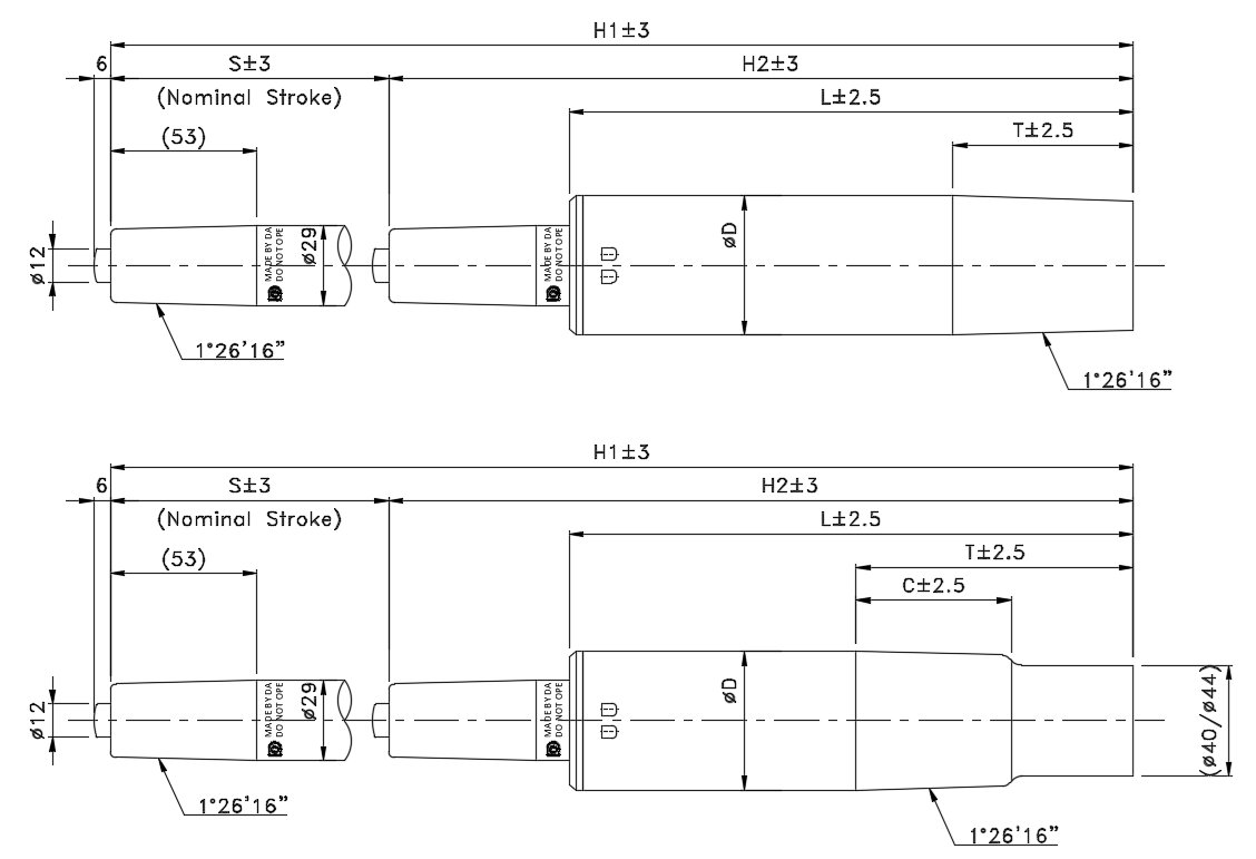
・外管:2mm厚、スピンドルパイプ:3mm厚
・24時間・7日間稼働の作業ステーション(救急センター)用椅子

製品詳細

製品データ

■ ヘビーデューティーシリンダー

StepHSØDLTCF1(N)
1245~69352~305Ø50145~40530~95-300~450
2245~69352~305Ø50145~40575~17256300~450


今すぐお問い合わせ

製品に関する質問やニーズがある場合は、以下のフォームに記入して、できるだけ早くお問い合わせいたします。

製品評価

レビューを書く

+86-186 6977 7772

+86-186 7898 6393

+86 0532 8752 9526

daimtec@daimtec.com