リターンシリンダー

ガスシリンダー
new_0001_a32448319c107db5869567b1ae0d5ee
new_0002_e2cf91d8fbdd1cb2b64513dc9364df4
new_0000_ef337e8ce9eada5a13e62c4e371d760

リターンシリンダー

仕様:
· 自動的に元の位置に戻ります
· 高さは固定されています
· オフィスチェア

製品詳細

製品データ

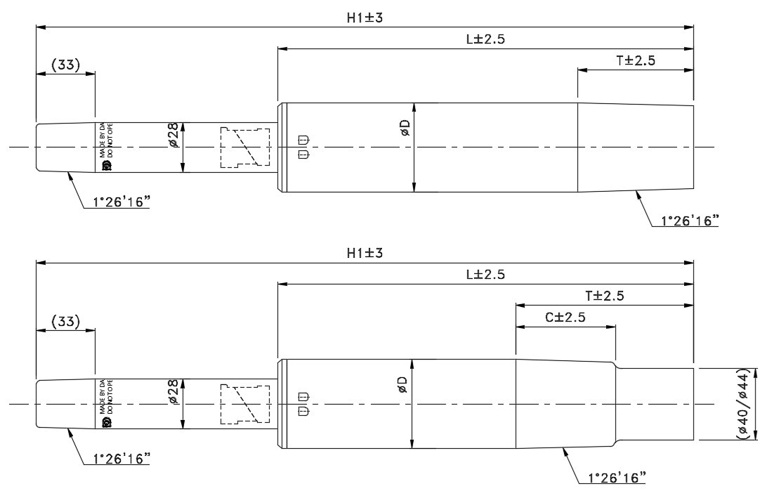
■ リターンシリンダー

StepHSØDLTCF1(N)
1245~767-Ø40145~40540~65-0/350~450
245~767-Ø45145~40530~70-0/350~450
245~767-Ø50145~40530~95-0/350~450
2245~767-Ø40145~40580~146680/350~450
245~767-Ø45145~40575~130560/350~450
245~767-Ø50145~40575~172560/350~450


今すぐお問い合わせ

製品に関する質問やニーズがある場合は、以下のフォームに記入して、できるだけ早くお問い合わせいたします。

製品評価

レビューを書く

+86-186 6977 7772

+86-186 7898 6393

+86 0532 8752 9526

daimtec@daimtec.com